Designing Real-Time Networked Lighting Controls

By European Editors

Contributed By DigiKey's European Editors


Lighting systems are becoming ever more sophisticated, and the introduction of LED lighting, requiring DC supplies and specialized drivers, opens up new possibilities for controlling individual lights and enhancing the human interface and user experience. Indeed, early speculation about the 'Internet of Things' (IoT), and what new types of devices might have their own IP address and be connected to the Internet, considered light bulbs to be prime examples. Certainly, the technology to embed wired or wireless network controller circuits into light bulbs is both feasible and potentially cost effective. However, is this a case of technology looking for a market or is there a real demand for this type of solution? Or perhaps is there an alternate, more straightforward and lower cost solution?

This article first aims to understand why the move from conventional incandescent and fluorescent lights to LEDs changes the control dynamics. It will then look at potential solutions, starting with those that can simply replicate the real-time connectivity between a traditional wall switch and the lighting fixture, before exploring options for providing a more flexible human interface using network connectivity, akin to the scenarios anticipated by the IoT pundits.

In order to present these solutions, this article will reference a number of products from various manufacturers. This will primarily focus on networking devices, typically those protocols embedded in low-end microcontrollers (MCUs) such as Texas Instruments' CC2533 MCU with ZigBee, its MSP430BT5190 Bluetooth MCU, or Microchip's PIC18 device with Ethernet. It will also cover the necessary analog front-end devices like TI’s AFE031 and module level solutions like Skyworks SKY65337-11 ZigBee RF transceiver and the HDG104-DN-2 Wi-Fi module from H&D Wireless.

What is different about controlling LED lights?

Most commercial and domestic lighting is powered by mains electricity, operating from AC supplies that are predominantly either 220 to 240 V at 50 Hz (in Europe, most of Asia and Africa, and parts of South America) or 100 to 127 V at 60 Hz (in USA/Canada and some other countries). This is not a problem for incandescent bulbs or fluorescent tubes, which are readily designed to operate directly at these voltages and frequencies. In fact, the characteristic operating principle of fluorescent lamps, including compact fluorescent lamps (CFLs), actually requires the use of an AC supply together with a series ballast (inductor) to limit current flow and avoid the destructive, runaway situation that would result from using a DC supply.

Light-emitting diodes (LEDs) are fundamentally different. Being a form of diode, LEDs only work when current flows from the anode to the cathode, that is, they require a direct current (DC) supply. What is more, for optimum performance, the forward voltage across an LED needs to be fairly constant, typically around 3 V for the type of high-brightness LED used for lighting applications. For operation at higher voltages, the simple solution is to use a series resistor to create a potential divider circuit that regulates the current through the LED to its nominal rated value. This is illustrated by Figure 1 but, as can readily be appreciated, operation from a DC supply voltage (VDC) that is much greater than the LED forward voltage (VF), such as a rectified and smoothed mains input, is clearly inefficient since significant power is wasted in the series resistor (R) relative to the power consumed by the LED. Connecting a number of LEDs in series to increase the cumulative forward voltage drop potentially provides a solution for rectified mains operation but is rarely practicable.

Simple LED biasing circuit

Figure 1: Simple LED biasing circuit.

Instead, most LED lighting systems employ power supply units (PSUs) with dedicated LED driver circuits, either providing a constant current or constant voltage output matched to the LED’s specification. These PSUs typically accept AC mains input with a DC output that may drive a single LED, but more likely a string of LEDs operating at voltages up to 60 V. Even the “60 W replacement” type of LED bulb uses a built-in LED driver circuit to convert AC mains to a suitable DC voltage to power its LEDs.

More details on PSUs intended for original LED lighting installations is provided in a separate TechZone article titled “How to choose the right power supply for your LED lighting project”.

So what does this all mean in terms of controlling LED lights? Well, if we are just considering replacing incandescent or fluorescent light bulbs for environmental, energy saving reasons then we can simply use the LED lamps that have been designed as direct replacements for previous style bulbs and tubes. These have compatible screw or bayonet caps to fit existing ceiling, pendant, and other light fittings, typically specified with equivalent power ratings to make selection easy. LED lamps also have the benefit that they can operate with existing dimmer circuits (provided they meet the minimum load specification), something that was a common problem when CFLs first started replacing incandescent bulbs.

The real opportunity for advanced LED lighting control comes with original lighting designs and new lighting installations. Here, advantage can be taken of the additional features that LED drivers offer in switching, dimming and color-tuning LED lights, with the ability to more easily control their operation remotely using the kind of network technology usually associated with communication systems.

Replicating conventional lighting controls

Broadly speaking, light controls can be considered either manual or automatic. Manual operation, switching on or off or adjusting the dimming level, needs to be responsive to user demand with no perceptible delay. Automatic operation will either be controlled by timers or in response to sensors that detect ambient light levels, for dusk/dawn switching, or movement, for courtesy or security purposes. The latter also needs to be responsive so, along with direct user control, any network-based switching will need to operate in real-time.

As discussed above, LED replacement lamps are not only compatible with existing light fittings but can also continue to use existing switches, dimmers, timers, etc., which switch mains electricity. This includes the touch-switch technology employed in wall plates and the bodies of table lamps, and lights operated by PIR sensors. However, the drivers used in LED power supplies almost all feature low voltage analog or digital control inputs. This opens up the possibility of a different lighting control scenario, with mains power distributed directly to the LED luminaires, or to the PSUs that then drive the actual LED devices, and separate low voltage circuits carrying the switching signals.

Such a solution does not naturally lend itself to retrofitting in homes or commercial offices, unless these premises are undergoing extensive refurbishment. However, this may be attractive for new building designs where running low voltage cables in walls, floors, and ceilings could provide significant cost and safety benefits. Low voltage cables are lower cost than mains cables and are physically smaller, so they are more readily installed without the bulk of conduits or trunking. Also, wiring carrying what is more correctly referred to as extra-low voltage (ELV) is not subject to the same building regulations and fire codes as AC mains – the IEC (International Electrotechnical Commission) define ELV as AC of no more than 25 V RMS or DC up to 60 V. Even LED PSUs with outputs below 60 V fall into this classification, although there may be requirements for separating ELV cables from other circuits using secondary insulation or isolating transformers.

While custom-wired solutions for LED lighting systems clearly represents a technological advance, the additional opportunity for networked control is undoubtedly a far more significant step and one that potentially bypasses dedicated ELV control circuits.

Options for networked lighting control

What we are considering here is the use of communications protocols originally developed for computing and related applications. These may seem overly complex to use for such a simple task as switching lights on and off, but the reality of modern integrated circuit technology is that these devices are likely to cost less than any comparable design alternative. The beauty of a networked solution is the flexibility of distributed control where connected lighting can be controlled from any other location on the network. These may be fixed nodes or, in the case of a wireless solution, any location within range of a suitable network transceiver.

Ethernet is one of the most readily recognized local area networking (LAN) protocols, having been deployed for over three decades and standardized as IEEE 802.3 since 1985. Despite any recent trend to wireless technology at the point of connection, most commercial premises still have a significant wired-backbone infrastructure, which includes Ethernet cabling hidden away in conduits, wire-trays and suspended ceilings. All it takes is the ready availability of a device like Microchip’s PIC18F97J60 microcontroller with integrated Ethernet and it becomes a relatively simple design task to add network control to an LED driver circuit. With 10Base-T Ethernet MAC and PHY on chip and TCP-IP source code available royalty-free, the J60 family from Microchip is very much optimized for these types of control applications and includes the ability to generate the type of PWM dimming signal required by most LED drivers. Elsewhere on the network, other such PIC MCUs could capture control inputs from touch switches, PIR motion detectors and ambient light sensors.

Wi-Fi is the term most people use to refer to wireless Ethernet, even though strictly it is a trademark name given to any wireless LAN product based on IEEE 802.11 standards. It provides an obvious complement to the use of Ethernet for lighting control, but in addition to the hardware and software elements provided by the PIC device above, it additionally requires an RF transceiver. With its HDG104-DN-2 ‘system-in-package’ (SIP) product, H&D Wireless provides a ready-to-go solution that is optimized for embedded applications. This incredibly small module, measuring less than 8 mm on a side, is shown in Figure 2.

Wi-Fi module from H&D Wireless

Figure 2: Wi-Fi module from H&D Wireless.

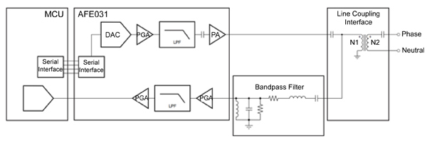
Power Line Communication (PLC) is another technology for wired networking and is perhaps most familiar under the HomePlug name, which covers a range of specifications supporting various forms of communication over existing home electrical wiring. These include the in-home distribution of broadband Internet signals and AV content, but applications for smart power and the monitoring and control of appliances, which is clearly of direct relevance to the control of lighting, can also be included. As with Wi-Fi, a key requirement is the transceiver that provides the interface between the MCU and the power line itself. Texas Instruments calls this the Analog Front-End and Figure 3 shows the role their AFE031 device plays in a typical power line communications system.

TI’s AFE031 Analog Front-End

Figure 3: TI’s AFE031 Analog Front-End for Power Line Communications.

ZigBee is a wireless personal area network (WPAN) protocol that is more specifically targeted at simple, low-cost, low-power control applications. Defined by IEEE 802.15.4, ZigBee operates in the ISM (industrial, scientific & medical) radio bands: at 868 MHz in Europe, 915 MHz in the USA and Australia, and at 2.4 GHz throughout most of the rest of the world. By focusing on control applications that require short-range wireless transfer of data at relatively low rates, ZigBee avoids many of the overheads and complexities of other WPANs such as Bluetooth and Wi-Fi. Texas Instruments offers a complete system-on-chip solution for ZigBee with its CC2533 device, which integrates the full RF transceiver circuitry with an 8051 CPU and all the usual complement of flash memory, RAM, timers and I/O needed for remote control applications including lighting.

Where the TI device above is considered to primarily serve as a remote control target, i.e. the device that is being controlled, other more general-purpose MCUs might be used to originate control. Where those MCUs do not have an on-chip RF transceiver, the solution might be to use the Skyworks SKY65337-11 ZigBee RF Transceiver shown in Figure 4.

Skyworks 2.4 GHz transceiver

Figure 4: Skyworks 2.4 GHz transceiver for ZigBee and other ISM applications.

Bluetooth, despite the implication in the above section that it is less suited to control applications than ZigBee, is still a very relevant network protocol. This is because the future control of lighting in homes and offices is increasingly likely to use smartphones, tablet computers, and similar handheld technology as the controlling devices. So with smartphones and the like already having Bluetooth built them, it clearly makes sense to consider Bluetooth as a viable network protocol, especially with devices such as TI’s MSP430BT5190 microcontroller specifically designed as a wireless serial link for cable replacement in applications such as remote control and smart metering.

Summary

The premise of this article, that more sophisticated lighting systems provide even greater opportunities for advanced control, has been demonstrated by looking at the possibilities for networked control. By exploring the characteristics of LED lighting, we have seen how the necessary power supply and driver technology lends itself to low-voltage control methods, which in turn are more readily compatible with microcontroller-based systems. It is then a short step to a range of network protocols that can implement this control over wired or wireless networks. In short, the Internet-controlled light bulb is already a reality.

References:
  1. Microchip PIC18 MCU product overview
 
DigiKey logo

Disclaimer: The opinions, beliefs, and viewpoints expressed by the various authors and/or forum participants on this website do not necessarily reflect the opinions, beliefs, and viewpoints of DigiKey or official policies of DigiKey.

About this author

European Editors

About this publisher

DigiKey's European Editors